Tesi 2 1000 x 630
Symbol produktu: RT210001401A402
Tesi2 to grzejnik marki Irsap. Jest to jeden z wielu oferowanych przez producenta modeli z kategorii grzejników pokojowych modułowych. Charakteryzuje się smukłą budową, jak i prostotą, dzięki swemu designowi idealnie wpasowuje się do pomieszczeń urządzonych w różnych stylach, od nowoczesnych, po te bardziej klasyczne.
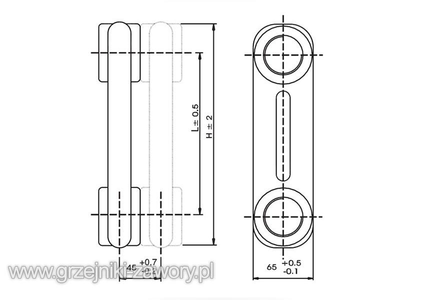
Dostępny jest w dwudziestu różnych wysokościach oraz trzydziestu dziewięciu szerokościach, w każdej wersji składa się z dwóch warstw profili grzewczych, które ułożone są pionowo.
Grzejnik Tesi 2 dostępny jest z szerokim wyborem możliwych przyłączy instalacyjnych, między innymi:
- standardowe boczne - w wersji lewej lub prawej,
- dolne z rozstawem osi 50 mm - prawe, lewe lub środkowe,
- przyłącze dolne,
- przyłącze dolne boczne,
- przyłącze dolne o rozstawie 50 mm z wbudowaną wkładką termostatyczną - dostępne w wielu wersjach
Informacje o grzejniku Tesi2:
- rury wykonane ze stali o średnicy 25 mm
- kolektory z wytłaczanej stali
- szerokość elementów – 45 mm
- maksymalna temperatura pracy 95°C
- maksymalne ciśnienie robocze 8 bar
- podstawowy kolor biały
- nagwintowania na końcówkach kolektora
Standardowe elementy wyposażenia grzejnika Tesi2:
- w zestawie jeden odpowietrznik 1/2”
- cztery uniwersalne uchwyty Tesi (oprócz bardzo małych grzejników)
- jedna przykrywka do ślepej zatyczki 1/2”
- cztery przyłącza z zaworami redukcyjnymi od 1 1/4” do 1/2”
Grzejnik Tesi2 oprócz białego standardowego dostępny jest w bogatej palecie kolorów; dodatkowo w ofercie jest szeroki wybór akcesoriów dekoracyjnych i technicznych, na przykład wieszaki, zarówno w klasycznym, podłużnym kształcie, jak i geometrycznych wariacjach, zawory, czy maskownice na rury.
Więcej informacji technicznych,
wygodny system do konfigurowania grzejnika,
aktulane karty techniczne i katalog
znajdziecie Państwo na stronie:
www.grzejniki-tesi.pl

